Если цена в объявлении изменится, мы сразу сообщим вам об этом на электронную почту.
Нажимая «Подписаться», вы соглашаетесь с правилами.
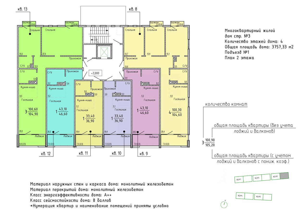
продам 1-к, Керчь8 671 500 ₽
30 июля
Дата публикации объявления
Обн. 17 апр
Дата обновления объявления
5
Количество просмотров (+ просмотры за сегодня)
Спецпредложение
Турбо x8
235 000 ₽/м²
Чистая продажа
Термин "Чистая продажа" означает, что в квартире никто не прописан или
есть куда выписаться и вывезти вещи. Это лучший вариант для покупателя.
Вероятность срыва сделки минимальна.
Квартира
Общая площадь36,9 м2
Тип собственностидоговор долевого участия
Дом
Срок сдачи2 кв. 2026 г.
Этаж2 из 4
Материал домамонолит
Продается квартира 10 на 2 этаже в 1 подъезде Корпус 3. ЖК Белый город на берегу Черного моря. Закрытый комплекс, уютная территория, дикий пляж в непосредственной близости. Террасы с видом на море. Квартиры от застройщика по 214-ФЗ. Ипотека,