Если цена в объявлении изменится, мы сразу сообщим вам об этом на электронную почту.
Нажимая «Подписаться», вы соглашаетесь с правилами.
продам 1-к, Керчь11 068 500 ₽
30 июля
Дата публикации объявления
Обн. 3 апр
Дата обновления объявления
8
Количество просмотров (+ просмотры за сегодня)
Спецпредложение
Турбо x8
235 000 ₽/м²
Чистая продажа
Термин "Чистая продажа" означает, что в квартире никто не прописан или
есть куда выписаться и вывезти вещи. Это лучший вариант для покупателя.
Вероятность срыва сделки минимальна.
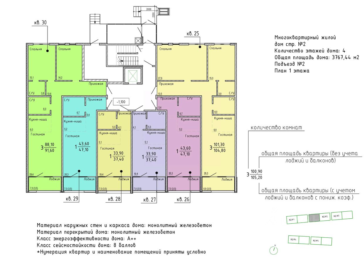
Квартира
Общая площадь47,1 м2
Тип собственностидоговор долевого участия
Дом
Срок сдачи2 кв. 2026 г.
Этаж1 из 4
Материал домамонолит
Продается квартира 26 на 1 этаже в 2 подъезде Корпус 2. ЖК Белый город на берегу Черного моря. Закрытый комплекс, уютная территория, дикий пляж в непосредственной близости. Террасы с видом на море. Квартиры от застройщика по 214-ФЗ. Ипотека,